发烧论坛

注册

 

返回列表 «23456789» / 22
发新话题 回复该主题

高品质电子分频有源音响系统制作教程DIR [复制链接]

查看: 172107|回复: 219
51#

回复: 高品质电子分频有源音响系统制作教程DIR

原帖由 老浦东 于 2007-6-3 17:56:00 发表
[quote] 原帖由 非音响发烧友 于 2007-6-3 11:39:00 发表
问题是: 谁说过不要好喇叭单元啦?

讨论的话题是电分比被动分频好很多.不是需要不需要好的喇叭单元.

任何电分多公房音箱, 电子分频器的设计......

哈哈,音响业近年来进步甚少,把实际情况理想化也是一大原因。
电子分频好我在年初就有介绍,但不要忘记有了好电路只是走了30%,具体的制作占了70%,是否有了电分技术就可以不用做好功放了?空谈误国啊。
大家吹吹玩玩很开心,但千万别把电分当成救世主。在理论技术上你们都是我的老师,但真正要吃饭还是要靠我们乡下人种出来的。得罪得罪。


人是主要的,有好材料还要人做出来。不同人做出东西差很远的。支持LPD观点。
TOP
52#

回复:高品质电子分频有源音响系统制作教程DIR

老浦东:
我已经当面告诉你,我那对书架中音单元是球顶喇叭里最抵挡的一个,而且实际上还不是标准的球顶结构,但也比锥盆喇叭表现好的多.
丹卖丝膜球顶高音并没有什么特别之处,如今只需要买一个丝膜球顶高音振动膜来把以前的振动膜换掉就行,只需要几元钱就可以实现.
何必要故意搅乱本来很清楚的概念.
有人喜幻全频喇叭系统,就给他做.同时也照样做Hi-Fi系统给大家.
一旦电子分频成为市场上的主脚,LPD肯定也马上会转来做它.LPD是商人,我非常理解你的意思.而且我和后街男孩谈论到你时,都认为LPD是好人,不应该指责商人为做生意所采取的那些很正常的宣传做法.我们和LPD只有一个不同的意见是,我们认为只有把东西做好才会有回头客.而LPD则以为只要顺着潮流跟跟浪就行了.
TOP
53#

回复:高品质电子分频有源音响系统制作教程DIR

另外,我不是放不下架子,肯定会来拜访LPD的公司.但现在正忙别的事情.
TOP
54#

回复:高品质电子分频有源音响系统制作教程DIR

老埔东曾对我使用的铁壳球顶中音喇叭提出声音“很怪”的质疑,并反复强调没有好喇叭就做不好音响的见解。特就此铁壳球顶中音喇叭声音“很怪”作如下回答:
没有实际感受的人可能会把认为声音“很怪”理解成声音不好的意思。的确,我使用的铁壳球顶中音喇叭是一个介于锥盆结构和标准球顶结构的过度性喇叭。之所以采用它,主要是基于历史原因。早在80年代后期,电子分频功放已经被少量爱好者开始制做来使用时,国内还没有大音圈球顶中音喇叭。人们只能使用锥盆结构的纸边或泡沫边中音喇叭。锥盆结构的纸边喇叭顺性不好,锥盆振动范围受到严重限制,从中心到边延将发生明显变形,从而导致低音表现不好,中高音明显突起。改用布边、泡沫边或橡胶边大折环之后,锥盆结构的纸边喇叭顺性大为改善,低音表现变好,从而又导致中高音相对于低音被大大衰减下去,不如PP盆在低音与中高音区域表现均衡。但PP盆阻尼不高,会产生不干净的塑料变形振动声,并不是做中音喇叭的最佳材料。在没有别的选择情况下,人们只好使用锥盆结构的纸边或泡沫边中音喇叭。锥盆中音喇叭与全频喇叭并无根本差别,仅仅是振动盆背后的铁架是封闭结构,以便和低音单元安装在一个箱子面上时,不必另外给中音喇叭做密封音箱。若找不到铁架封闭的中音喇叭,也可直接使用3吋~5吋全频喇叭,从背后用大碗把它密封起来。相比之下,锥盆纸边中音喇叭平衡不好,在4KHz~6KHz明显凸起,声音发刺,而锥盆泡沫边中音喇叭声音又显得模糊。就在这时期,上海银笛喇叭厂推出了铁壳球顶中音喇叭。
说实话,在98年之前,我还不知道上海银笛喇叭厂制造的铁壳球顶中音喇叭内部究竟是怎样的设计结构。从外观可以看到振动盆确实是向外凸起的半球,前面加有一个开有通孔的保护铁面罩。由于前面罩与喇叭盆架形成了一个共鸣腔,喇叭发出的声音有明显特色。很像从加盖的大盆里跑出来的声音,远没有大口径布膜软球顶中音喇叭发出的声音纯净自然。即便如此,它也比任何一款锥盆结构的中音喇叭发出的声音清晰,也没有锥盆纸边中音喇叭在4KHz~6KHz明显凸起的发刺现象。由于这款铁壳球顶中音喇叭的价格与锥盆中音喇叭相差很小!因而成为取代锥盆中音喇叭的优先选择。90年代,国内各家喇叭厂先后推出很多种大口径球顶中音喇叭,但价格都比这款铁壳球顶中音喇叭要高出至少一倍。惠威最先推出的子弹头造型大口径布膜软球顶中音喇叭比这款铁壳球顶中音喇叭要高出15倍!所以,珠海柏力公司开始做电子分频音响时,只能继续把铁壳球顶中音喇叭做为选择,而更好的大口径布膜软球顶中音喇叭是在99年才由上海的朋友研制成功。如果没发生后来的经济危机导致柏力公司解散,人们早就能在世面上买到我们研制的大口径布膜软球顶中音喇叭,其价格应在100元左右,比惠威的同口径布膜软球顶中音喇叭便宜200多元。正式在98年制作小体积Hi-Fi音响时,上海的朋友特地生产了安装口径减小为105mm直径的铁壳球顶中音喇叭。而且在正式生产前,曾用相同的盆架先做过锥盆中音进行对比,声音如果良好就不必使用半球形振动盆。实际做出来对比后,发现锥盆声音还是不行,只得放弃。到这时,我才知道这款铁壳球顶中音喇叭仍然采用小音圈驱动方式,从中心驱动振动盆,与锥盆结构相差很小。只能算是球顶中音喇叭中表现最差者,而锥盆结构的中音喇叭就更应该被仍掉了。
显而易见,没有好喇叭就做不好音响。但现在已经不是上个世纪80年代的情况,除铝带高音喇叭还属于新推出不久的天价喇叭外,其它单元都已经不难买到。做电子三分频或更多分频的音响系统,中音单元是极其重要的主要器件,切莫使用锥盆喇叭。当然,我并不推荐大家使用小音圈的纸膜球顶中音喇叭,而是推荐使用大音圈布膜球顶中音喇叭。至少也应该使用其它膜的球顶中音喇叭,铝膜或钛膜球顶中音喇叭虽然没有布膜球顶中音喇叭阻尼特性好,但也远好过锥盆喇叭中音喇叭。大音圈布膜球顶中音喇叭制造成本本来并不比其它膜球顶中音喇叭更高,主要是使用量决定销售价格。用的人少,生产批量小,价格就高。使用量大,生产批量上去了,价格自然就能降低下来。
相对来说,在使用同档次喇叭情况下,级前电子分频方式也比级后功率分频方式要好的多。而且因为级后功率分频很难把超过二分频的喇叭系统做好,更难以在只使用高音、低音两个单元喇叭情况下把整体顾及到,才导致对喇叭的挑选远比使用至少三分频的级前电子分频方式困难得多。不言而喻,想用一个全频喇叭就能做出好音响,更加只能是幻想。
TOP
55#

回复:高品质电子分频有源音响系统制作教程DIR

全频喇叭功率放大器制作要点:
全频喇叭是30年前的旧概念,是以频率上限最高只达到6KHz为要求的80年代前的电影片还声标准。除只要能响就行的未入流玩具喇叭外,早期的全频喇叭都是高灵敏度喇叭。Hi-Fi喇叭的灵敏度多在90dB以下,不超过92dB。灵敏度在99dB以上,不低于99dB的喇叭属于高灵敏度喇叭。为了提高灵敏度,振动盆尽量使用重量较轻的材料制作,一般不使用泡沫边、橡胶边折环,而是采用纸折边。在折边位置帖一曾布增加耐用强度,这是大口径舞台低音喇叭普遍采用的折环。在折环涂上阻尼胶,可把纸折边产生的变形声吸收掉。在电影院播放电影配音的喇叭都是高灵敏度喇叭,一般不使用号筒高音单元,就直接使用一个单元的全频喇叭。 所谓的全频喇叭,结构上的特点就是在音圈顶端另外再加有一个敞口悬空的小锥盆。从原理上来看,随便在音圈顶端安上一个半球形防尘帽,就相当于是球顶高音喇叭的振动膜!而敞口悬空的小锥盆,从锥盆后面绕射到前面的声波会抵消掉按照音圈运动方向推动空气产生的声波!所以,人们听到小锥盆发出的高音并不是真正的重放高音,而是在音圈带动下,小锥盆与空气磨擦颤动产生出的固有振动声音。音圈运动得越快,小锥盆与空气产生磨擦颤动越厉害,产生出的固有振动声音也越响。它就如同挂在马脖子上的玲铛,马走得越快,玲铛被甩动得越快,玲铛发出的声音也越大声。换句话说,加在音圈顶端的敞口悬空小锥盆属于“马脖子上挂铃铛”,并不具有重放高音的意义。用仪器测试全频喇叭的声压频率响应曲线并没有反应为正常发出的声音特性曲线,只是起到心理上的安慰作用。
有人喜欢听全频喇叭系统,这当然无可职责。罗卜白菜,各有所爱。而且全频喇叭系统简单易做。如果自己特别喜欢80年代前的电影片声音效果,随便弄个全频喇叭系统来玩,当然也不错。若使用的是采用泡沫边的低灵敏度全频喇叭,只须在普通喇叭的振动盆中心再粘个敞口悬空的小锥盆就成了所谓的全频喇叭,对功放的要求无特别要求。但如果是使用高灵敏度的全频喇叭,例如志平推出的12吋铝架全频喇叭灵敏度为104dB,对功放就有特别要求。须知道,对灵敏度为104dB的喇叭而言,输出90dB的声压只需要0.04W驱动功率,比常用的灵敏度为90dB的喇叭要低25倍!驱动这样的高灵敏度喇叭只需要4W额定功率,就相当于用额定功率为100W的功放推动灵敏度为90dB的喇叭。这样,原先推动灵敏度为90dB的喇叭时功放自身的背景输出噪声为3mV尚可以接受,却会被高灵敏度喇叭以提高14dB的响度发出来变得不可以接受。3mV推动灵敏度为90dB的8欧喇叭发出的噪声只有30dB,在安静的环境里距离喇叭2米基本上不会感觉到喇叭发出的噪声。但如果是发出44dB的噪声,在安静的环境里距离喇叭2米也会听到明显不舒服的白噪声或感应交流声。若要使灵敏度为104dB的喇叭也只发出不高于30dB的背景噪声,功放自身的背景输出噪声必须不大于0.5mV,用示波器观看输出噪声电压峰峰值应该在1.4mV之内。这是采用分立元件制作的功放难以达到的指标!即便采用功放IC制作,大部分功放IC都难以达到这么低的噪声要求。如果采用80年代就推出的TDA2030A或LM1875等功放IC,输出功率已经足够,但要把背景输出噪声降低到0.5mV,即便使用正负双稳压电源供电也未必能达到要求。根据我的实际使用验证,采用TDA7294功放IC,用正负双电源供电就可以达到要求,要点是PCB电路板设计一定要得当,严格遵守输出地不与输入地共线的一点共地要求。由于TDA7294能够在失真小于0.1%的情况下长期输出50W额定功率,同时有具有极小的背景噪声,用它来推动全频喇叭,无论是高灵敏度喇叭,还是低灵敏度喇叭,表现都很好。
TOP
56#

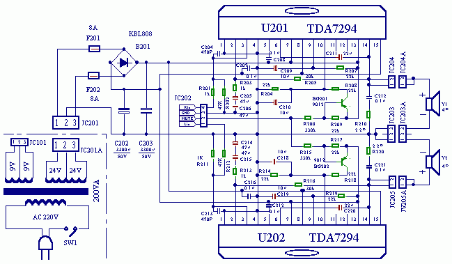
回复: 高品质电子分频有源音响系统制作教程DIR

附图分别是采用TDA7294功放IC设计制作的双功放电路图
TOP
57#

回复: 高品质电子分频有源音响系统制作教程DIR

附图分别是采用TDA7294功放IC设计制作的双功放电路图和实物图,
TOP
58#

回复: 高品质电子分频有源音响系统制作教程DIR

TOP
59#

回复:高品质电子分频有源音响系统制作教程DIR

附图分别是采用TDA7294功放IC设计制作的双功放电路图和实物图,印刷电路板与实物图完全对应,可供爱好者仿制。把电路板gif图片文件先输入到CorelDRAW 9中,以600dpi输出,再用Photoshop对不应该连在一起的地方进行修改,把不够光滑的锯齿状线条处理平滑,然后用激光打印机打在瞄图纸上,就可以拿来做爆光板底片用。对使用者来说,不必去管电路是怎么设计出来,只要有现成的样板拿来照着用就行。功放电路上的MUTE控制端悬空时处于静音状态,与中点连接即为工作状态。MUTE控制端可留作别的灵活使用。
此外,功放前置音量调节控制也必须使用低噪声器件制作才能确保功放最后的输出噪声不超过限定指标要求。推荐采用SC9153或TC9235专用音量调节IC来制作前置音量调节控制器,附图为它们的应用原理图。音量控制PCB板设计不难,主要是需做好屏蔽,避免产生外界感应噪声进入电路之中。音量控制PCB板与功放板分开单独设计,电源也单独使用另一组隔离的双9V供电,经三端稳压IC变成正负5V双电源。
TOP
60#

回复: 高品质电子分频有源音响系统制作教程DIR

TOP
发新话题 回复该主题