发烧论坛

注册

 

返回列表 «166167168169170171172173» / 186
发新话题 回复该主题

Audio Research 用家专栏 [复制链接]

查看: 528607|回复: 1851
1691#

[quote] 原帖由 [b]zyhifi9[/b] 于 2014-1-8 23:35:00 发表
Audio Research的用家們請留意了!代理商鈦孚音響日前表示,ARC旗下REF610T、REF210T、REF110、VS115、VSi60真空管擴大機所使用的6550功率管將全面更換為KT120功率管,由俄國盧森堡的New Sensor 廠精心打造的KT120每支可提供60瓦額定輸出功率,高於目前使用的6550管,以REF610T後級為例,原輸出功率610瓦,換管後的輸出功率將攀升至84 [/quote]

应该不属“新闻”,约在2012年下半年,ARC 系列当时的6550管设备,多数都换装120管子了。
在下的VS115,是当时第一批出厂进入大陆的换装120管子的后级(此前是一台原6550管VS115,已出手),已在用着快两年了。(大约在本栏83页左右上过照片)
当时的相关刊物,已有过介绍。我与多位兄在此栏也曾有过议论。(还曾有过自行换管的尝试)
不过,厂家及代理商钛孚如真有了6550换装120管的规范业务,也属一个针对ARC用家的好消息。
TOP
1692#

[quote] 原帖由 [b]醉心山庄[/b] 于 2012-7-23 17:38:00 发表
好的 szlghyj兄!在兄的导引下开始乐于动手了,并且收效显著。待别宅使用分流一下套用墙插的其他设备,一定考虑改造旧墙插,再深入动手。 [/quote]

刚才回楼上帖后,不由的去翻看了2012年6、7月间的本栏与szlghyj兄、老韩兄等的交流页········,当时好热烈!交流、探讨、学习气氛好浓啊!
对比现在寂寞无声······,多少有些感慨。
TOP
1693#

具体是否可以换管,可至EMAIL至ARC总部咨询,他们应该会给予技术支持的!就在前不久,我的一位老友是使用ARC REF2前级的,他的遥控器失灵,后托我购买全新,通过和总部的售后联系,成功购得。呵呵
TOP
1694#

山庄兄也好久没来了哦!新年快乐
TOP
1695#

回复 1694# hanna 的帖子

韩兄亦是闲逸,同乐同乐!
TOP
1696#

请教前辈,Classic30的后级的6550功放管是2008换的新管,若按每年500小时的使用时间,不知几时需要更换?谢谢!
TOP
1697#

回复 1696# hanna 的帖子

建议测下bais,下降太多的话就换了
TOP
1698#

车佬兄能描述的再详细点吗?谢谢!
TOP
1699#

回复 1698# hanna 的帖子

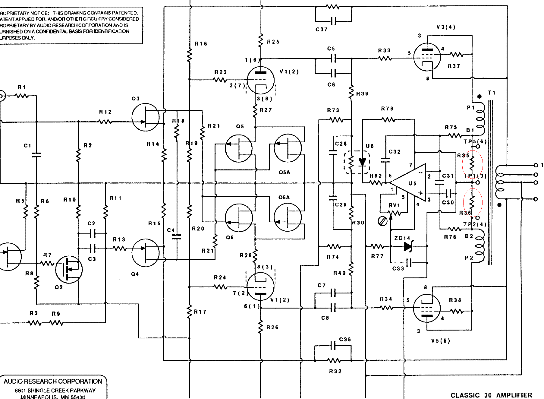
先找到红圈的电阻,用万用表量下是多少欧姆,这两个电阻用户手册上写是0.5欧姆,我觉得应该是1欧姆才对,再开机分别量下两个电阻电压是多少?如果是1欧姆,正常是65mv。如果是0.5欧姆,是32mv。

最后编辑szlghyj 最后编辑于 2014-01-17 10:21:34
TOP
1700#

谢车佬兄指点!
TOP
发新话题 回复该主题