发烧论坛

注册

 

发新话题 回复该主题

对听惯胆机的玩家,绝大多数石机,就不应该被生产出来。 [复制链接]

查看: 20839|回复: 64
11#

原帖由 eric 于 2012-10-28 19:17:00 发表
呵呵,弱弱的说,我只对女人感兴趣,这个世界不要再生产男人出来了......


哈哈,我也是这么想的,可女人不是,同志又另当别论。
TOP
12#

对领导来说,只听真人娼哥。音响应该不准玩。
TOP
13#

Lz是主观的人
TOP
14#

子非鱼,焉知鱼乐否?
TOP
15#

现在常规生产的,不拿古典胆来说事,

最贵的还是石机吧。fm一台前级,小小的一百二十多万港币。

也是极至的吧。

贵都有人买,厂没有关门就是有存在的道理,

反而现在所谓的天价胆机厂,胆厂都关门大吉的多,市场决定一切吧
体会身体内在的天籁之声!这是终极的发烧!
TOP
16#

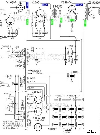
我方便的时候,一定要装一台(如图),不会考虑什么石机。
接下来的几年做功课,单端28W功率还是小了。


TOP
17#

对于看惯井口天的娃来说,天空就是那么大。
TOP
18#

感觉这样不负责任抛话题,会引发争执
TOP
19#

无意义的容易引起争执的话题。
TOP
20#

哈----
TOP
发新话题 回复该主题