发烧论坛

注册

 

返回列表 12345678» / 20
发新话题 回复该主题

300B845胆机摩机直播(中期验收意见P33) [复制链接]

查看: 194004|回复: 423
31#

原帖由 南海十三郎 于 2012-3-13 20:12:00 发表
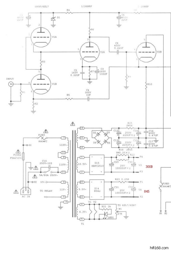
25v10000u的就是

电路图上是找着了,6sl7、6sn7的250v 220u不用动?而且这里为什么要弄耐压这么高的?这里电压很低的,而且300B、845灯丝滤波电容耐压也才25v,不明白为什么这么设计。
在机器的照片上,在什么位置不知道。
在下图中?


TOP
32#

TOP
33#

交联电容已在换的方案中。

C4 我看它不顺眼,不知道作用大不大,有没有换的必要。

C12、C14、C13、C15、C29、C30、C31、C32八个东西挺贵的。

刚查资料,似乎C12、C14、C13、C15(本页第三图红箭头所指)更重要点,外界电压对声音影响比较大,处理好了,可以不用电源处理器了。

上图中的300B、845是原厂印错了?300B灯丝电压应该是5.5,845电压是10.5.
最后编辑kick 最后编辑于 2012-03-14 00:37:33
TOP
34#

BG 1U无极,只有一款耐压50V的,80元,倒不贵,放这里可能危险,因为周围的电容耐压高,原厂选耐压160v肯定有其道理。

BG 1U无极 50V尺寸5 x 11,不知道是毫米还是厘米为单位,旁边的C4,换后的体积是很大的,为23x58mm,挤占空间。
TOP
35#

原帖由 南海十三郎 于 2012-3-14 1:35:00 发表
这个电压实际是V2B的阴极电压,可实测一下。5 x 11是毫米,50V低了些,还以为有160V的,它原来是什么品牌?



查过,没有查到。
TOP
36#

没有查到用什么电容代替它比较好,而且个头只能比它小。
TOP
37#

原帖由 南海十三郎 于 2012-3-14 10:59:00 发表
http://item.taobao.com/item.htm? ... m_id=&cm_id=&pm_id=找到个好东西!它是有极性的,

就是不知道能不能用,需要电容激活不,我问问店主。
TOP
38#

这个评价

所有电容有的和没有的优点它都有,所有电容有的缺点它都没有,所有电容没有的缺点它也有——价格

太牛X了。
TOP
39#

有时感觉某功放控制力不够,实际上是采用的材料不够好的假象。
对吗?
比如:某电容两端,并了一个低容量电容,滤了部分高频,导致高频上不去。如果换用高素质电容并去掉并的低容量电容,高频上不去的毛病就没有了。如果有,就是别的地方的问题。
如图:



当C3换为高素质电容后,C2就可以去掉。
TOP
40#

可惜哦,海阳兄,说晚了哦,东西在路上了。LCR确实便宜。
TOP
发新话题 回复该主题