发烧论坛

注册

 

发新话题 回复该主题

最近NAIM的功放和碟机环牛叫的挺厉害,时间不确定且没有规律性。 [复制链接]

查看: 7444|回复: 18
11#

jhlh兄,这个现象很可能是电压问题...早晨上午电网用电少,电压会相对较高,变压器初级线圈电流增大,涡流也相应变大,所以变压器哼声会增大...而晚上电网用电多,电压相对降低(大家都在煲机,嘻嘻...),因而变压器哼声会降低...个人经验:电压超过230V,变压器的哼声会相当明显...用万用表测量一下电压就清楚了...
TOP
12#

据说:
变压器哼声时有时无的品质往往反而是很高的(任何时候都有哼声的变压器当不属此列)。

如果不是太严重试试用电源净化器。
TOP
13#

电压240伏,naim叫的厉害.

电压240伏,naim叫的厉害.
TOP
14#

谢谢以上各位朋友的关心和指导。
反复测试不是电压高的原因,这个哼声神出鬼没,现在愈来愈厉害了,搞不清什么时候就叫,郁闷!刚配好一套称心如意的系统,却出现这种情况,看来发烧之路永远有苦恼相伴。
我估计与电瓶车充电有关系,最近我们楼电瓶车多了起来。是不是电瓶直流电回流到市电中?不好说啊!
有大侠推荐用四个二极管组成类似桥状的接法,刚买了二极管,还没试呢。
TOP
15#

没事,放心用!市电有直流成分不干净造成的!我的功放在冬天开取暖器的时候牛就叫,关掉取暖器就没事了,高品质的环牛内阻低都这样!
TOP
16#

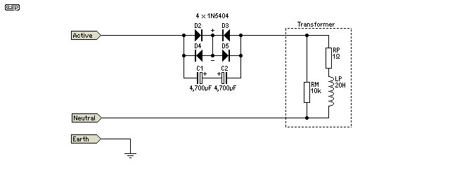
使用开关电源, 电吹风等会引起直流加入电网。环形牛输入内阻都较低,所以容易引起牛叫。
在输入端加入如下电路会有改善:
xfmr-dc-f8.gif (, 下载次数:0)

gif(2011/10/2 17:59:34 上传)

xfmr-dc-f8.gif

TOP
17#

原帖由 jhlh 于 2008-12-16 17:27:00 发表
不是紧固问题,因为三个机子同时叫,又同时宁静。电压也不会低的。
应该是直流干扰。
烦人啊,naim机子要求不关机,但这种情况就不敢了。
如何是好?请大家支招!!!

这个对听音乐影响大么?
CD Emmlabs SACD CDSA
Pre-amplifier, Classic 877
Power Amplifier, 211
Speaker, Dynaudio Contour S5.4
TOP
18#

检查电压
TOP
19#

呵呵,这么早的帖子也翻出来了。
当时什么法都用了,最后买了爱立信4600W隔离牛就解决了。
可惜,隔离牛没用多久,电源又正常了,这几个变压器不叫了,白白浪费近2000大洋。
爱立信4600W隔离牛一直在闲置,谁用的话搬去吧,优惠了。
TOP
发新话题 回复该主题