帐号
注册
密码
登录
关闭
安全选项
找回密码
记住我
我的中心
登录或注册新用户,开通自己的个人中心
HIFI168首页
快速搜索
帖子标题
作者
版块
发烧论坛
»
发烧专区
»
HiFi乐趣
»
请教个胆机功率问题
发烧专区
HiFi乐趣
音乐唱片
器材用家专区
在线试听
交易论坛
硬件交易
软件交易
返回列表
1
2
3
下一页
查看:
13714
|
回复:
51
请教个胆机功率问题
[复制链接]
查看:
13714
|
回复:
51
发送短消息
UID
70424
精华
49
查看公共资料
搜索主题
搜索帖子
kick
kick
组别
论坛博士后
生日
19720110
帖子
11009
积分
13430
性别
注册时间
2002-06-09
kick
论坛博士后
1
#
字体大小:
t
T
发表于
2011-12-05 21:24
|
显示全部
某胆机,标称
【额定输出功率】 :28W ( 8Ω RMS )
当接阻抗为4欧姆的音箱时,胆机的
额定输出功率=?
分享
转发
TOP
发送短消息
UID
70424
精华
49
查看公共资料
搜索主题
搜索帖子
kick
kick
组别
论坛博士后
生日
19720110
帖子
11009
积分
13430
性别
注册时间
2002-06-09
kick
论坛博士后
2
#
字体大小:
t
T
发表于
2011-12-05 22:05
|
显示全部
真头痛,换8欧姆,89db,承载200W的落地箱,就只有28W了,更难哦
TOP
发送短消息
UID
70424
精华
49
查看公共资料
搜索主题
搜索帖子
kick
kick
组别
论坛博士后
生日
19720110
帖子
11009
积分
13430
性别
注册时间
2002-06-09
kick
论坛博士后
3
#
字体大小:
t
T
发表于
2011-12-05 22:19
|
显示全部
昨天晚上,300B合并机,推89db,承载200W箱子,声音略大就严重失真。
TOP
发送短消息
UID
70424
精华
49
查看公共资料
搜索主题
搜索帖子
kick
kick
组别
论坛博士后
生日
19720110
帖子
11009
积分
13430
性别
注册时间
2002-06-09
kick
论坛博士后
4
#
字体大小:
t
T
发表于
2011-12-05 22:42
|
显示全部
http://cn.cayin.cn/html/Pro/dzgxl/hjfd/165.html
TOP
发送短消息
UID
70424
精华
49
查看公共资料
搜索主题
搜索帖子
kick
kick
组别
论坛博士后
生日
19720110
帖子
11009
积分
13430
性别
注册时间
2002-06-09
kick
论坛博士后
5
#
字体大小:
t
T
发表于
2011-12-05 23:04
|
显示全部
推8欧姆,89db,承载200W的落地箱行不行?
TOP
发送短消息
UID
70424
精华
49
查看公共资料
搜索主题
搜索帖子
kick
kick
组别
论坛博士后
生日
19720110
帖子
11009
积分
13430
性别
注册时间
2002-06-09
kick
论坛博士后
6
#
字体大小:
t
T
发表于
2011-12-05 23:20
|
显示全部
我不理解的是:推4欧姆的音箱功率是56W,很多人说同样地情况下8欧姆的音箱更好推,而功率只有28W。
TOP
发送短消息
UID
70424
精华
49
查看公共资料
搜索主题
搜索帖子
kick
kick
组别
论坛博士后
生日
19720110
帖子
11009
积分
13430
性别
注册时间
2002-06-09
kick
论坛博士后
7
#
字体大小:
t
T
发表于
2011-12-05 23:22
|
显示全部
不行的,昨天晚上在朋友家用合并300B推,声音稍大就失真,他的箱子同我的一样。
额定输出功率: 22W ( 4 Ω、 8 Ω)
4、8欧姆都是22W,不理解。
kick 最后编辑于 2011-12-05 23:23:24
TOP
发送短消息
UID
70424
精华
49
查看公共资料
搜索主题
搜索帖子
kick
kick
组别
论坛博士后
生日
19720110
帖子
11009
积分
13430
性别
注册时间
2002-06-09
kick
论坛博士后
8
#
字体大小:
t
T
发表于
2011-12-05 23:29
|
显示全部
关氏,4只6SL7+2只300B
TOP
发送短消息
UID
70424
精华
49
查看公共资料
搜索主题
搜索帖子
kick
kick
组别
论坛博士后
生日
19720110
帖子
11009
积分
13430
性别
注册时间
2002-06-09
kick
论坛博士后
9
#
字体大小:
t
T
发表于
2011-12-05 23:32
|
显示全部
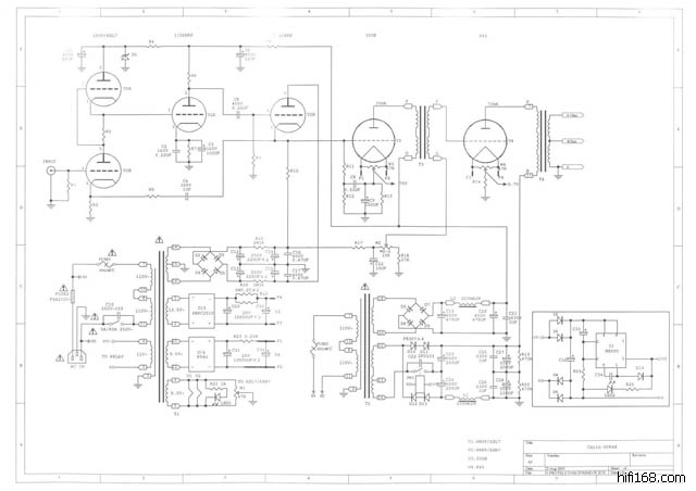
搞不懂,看电路图,4欧的输出只用了线圈的一半,而8欧姆的全用了。
9084D640.jpg
(87.01 K)
2011/12/5 23:31:54
TOP
上一主题
|
下一主题
返回列表
1
2
3
下一页
高级编辑器
B
Color
Image
Link
Quote
Code
Smilies
默认表情
你需要登录后才可以发帖
登录
|
注册
发表回复
查看背景广告
隐藏
发新主题
发烧专区
HiFi乐趣
音乐唱片
器材用家专区
在线试听
交易论坛
硬件交易
软件交易
浏览过的版块
音乐唱片
硬件交易
软件交易
TOP
设置头像
个人资料
更改密码
用户组
收藏夹
积分