发烧论坛

注册

 

发新话题 回复该主题

胆机高手请进:关于胆机统调 [复制链接]

查看: 4233|回复: 7
1#
后级为SPARK 9084D,电子管为6n8p、6n9p、300b、845。
最近换上了一对RCA 5691,按照一般情况,在胆使用约100小时左右会重新调整300B、845中点,使噪音变得最小,目前静噪略大。

300b、845的中点调法我知道。

调完中点后准备调屏流至80mA。

请教下面的做法是否正确:
用RR公司出品的XLO“烧金窝”的第五段:315HZ响度测试

分别用电表的交流伏特档测量左右功放的输出,调整音量,使读数小的那边的测量值为一个整数A,然后调小读数大的那只功放的845屏流,使功放输出用电表测量的值为A。

至于功放内部其它统调,我不知道怎样弄,好像6n8p、6n9p部分电路不让调整,但有个调整的电位器,请指点应测量哪个元件的数值来调整该电位器。

下面图中下面左边的电位器是调6n8p、6n9p,一般不让动,但有次不小心动了,虽然调回去了,但未必很精确,请教应测量那个地方,调电位器到适当位置。

下面右边是调整845的,上面左边是调整300B的,这个我会调。
最后编辑kick 最后编辑于 2007-05-03 09:56:44
分享 转发
TOP
2#

回复: 胆机高手请进:关于胆机统调

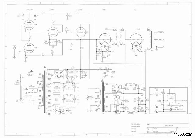
这是电路图
调整大小 DSC00025-9084da.JPG (, 下载次数:88)

jpg(2007/5/3 9:53:20 上传)

调整大小 DSC00025-9084da.JPG

调整大小 9084D电路图.jpg (, 下载次数:46)

jpg(2007/5/3 9:53:20 上传)

调整大小 9084D电路图.jpg

TOP
3#

回复:胆机高手请进:关于胆机统调

我非高手.我试着回答一下吧。此机共有电位器4个,分别是47欧三个及10k一个。二个47欧分别是调300b..845灯丝平行.另一个47欧是6N8P.6SL7共用的灯丝的接地电位器。
另一个10K电位器就比较重要。它是调整功放管845的栅极负压偏置用的..调整它会改变845的屏极电流!你可找到845的47欧灯丝电位器的中心点和10欧电阻的交会点.用直流电压2V档..调10k电位器..将电压调置0.7V..亦即是845的屏流等于70MA.如你想845用80MA屏流的话,你可调置0.8V。但不要调得太大啊。祝你顺利!
最后编辑昔日情怀 最后编辑于 2007-05-03 22:07:27
TOP
4#

回复:胆机高手请进:关于胆机统调

谢谢楼上的解答。

我还需要知道的是:
另一个47欧是6N8P.6SL7共用的灯丝的接地电位器。

这个怎样判断调整,该量什么地方?

另外一个问题是:
XLO“烧金窝”的第五段:315HZ响度测试

像我上述所说的方法调整,使左右声道输出功率一致,这个办法是否可取。


谢谢!
TOP
5#

回复:胆机高手请进:关于胆机统调

答; 另一个47欧是6N8P.6SL7共用的灯丝的接地电位器的调试是不输入信号时调至整机输出的交流吭声最小便成.[也可用交流数字表200MV档接机子的喇叭输出端,统调机内的三个47欧灯丝电位器,使表头的显示mv最小为好,你那机子静态输出的吭声电压大约是2mv左右吧。
XLO“烧金窝”的第五段:315HZ响度测试左右声道的输出是否一致是可行的.
但最好是用信号发生器来测试整机的20HZ----20KHZ的输出是否一致。
TOP
6#

回复:胆机高手请进:关于胆机统调

谢谢!那说明6sl7、6sn7对应的那个不用调了。

整机测试20-20KHZ,我想过应该这样,但不好调整,所以只选择315HZ调,315HZ左右是声音中最重要的频段。

以前用能测毫伏级的电表测(不敢保证很准确),测量的结果是0.5mv左右。

厂家一般是怎样调的?

我的方法是否可行?

其它条件不好创造。
TOP
7#

回复:胆机高手请进:关于胆机统调

你的测试方法也是基本可行的。
TOP
8#

无意中搜索出此贴。
发现此统调的说法是不准确的,顶多是调整845屏流。
当时提出此问题,说明一只功放前面板电流表在没有音乐信号的情况下指针左右摆动,不清楚屏流的准确大小,想办法使两声道屏流一致。

天啦,那时候300B推动牛就有毛病了,前级信号窜到后面去了。
TOP
发新话题 回复该主题