发烧论坛

注册

 

发新话题 回复该主题

玩DIY KA30 GR前级,向各位求救 [复制链接]

查看: 6479|回复: 34
1#
向各位求救
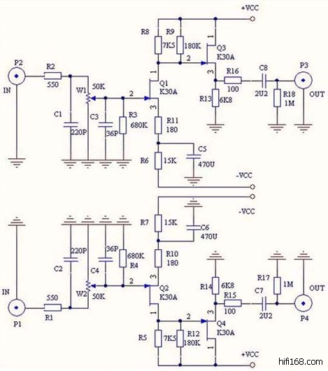
    在用这个DIY 前级,但增益高得要命,稍微一动音量电位器声音就惊天动地,向各位求救减小增益却又保证电路性能的办法。
K30AGR.jpg (, 下载次数:55)

jpg(2008/1/25 0:24:17 上传)

K30AGR.jpg

最后编辑龙抬头 最后编辑于 2008-01-25 22:28:40
分享 转发
TOP
2#

回复:玩KA30 GR前级,向各位求救

场效应管用的是2SK30A GR,声音较一般的运放前级厚实沉稳,质感还不错,现在在为如何降低增益而又保持性能头疼,还望各位指教
最后编辑龙抬头 最后编辑于 2008-01-25 00:30:12
TOP
3#

回复:玩KA30 GR前级,向各位求救

若是按照原参数装的应该不会出现问题的,最好再对照原电路图把线路板好好检查检查,是不是电位器焊接不对?再不行打电话问问吴刚!
TOP
4#

回复: 玩DIY KA30 GR前级,向各位求救

原帖由 静听禅声 于 2008-1-25 9:29:00 发表
若是按照原参数装的应该不会出现问题的,最好再对照原电路图把线路板好好检查检查,是不是电位器焊接不对?再不行打电话问问吴刚!


  谢谢兄弟,电路、电位器对了很多遍了没有问题。问题依然是电位器稍微动一点音量就大增,不到9点钟就达最大音量了。头疼阿。相同的电位器换别的10倍运放前级一切正常。
  兄弟有吴刚的电话不?我和他不熟,不知他愿意指教不?^&^
TOP
5#

回复:玩DIY KA30 GR前级,向各位求救

这个线路N年前俺焊过几部统统没有出现lz的现象,只要是认真地照猫画虎的去制作没有问题。吴刚的电话到网上搜搜吧!祝好运!
TOP
6#

回复:玩DIY KA30 GR前级,向各位求救

怀疑还电位器的原因,换个电位器再试一试!
TOP
7#

回复: 玩DIY KA30 GR前级,向各位求救

谢谢兄弟相助!
  电阻、电容仔细核对并用优利特UT60C数字万用表测了都正确的呀,郁闷了,这电位器也换了都没问题,电路检查了N遍也错不了,声音确认挺不错,就是电位器动一点音量就增加很多,不到9点钟就达最大音量。相同配置下直接拿10倍运放前级更换这个K30A前级就很正常。
  郁闷死了。不知在这个K30A前级的后面(或前面)增加一级缓冲(如下图电路)是否可行?
加的话是在K30A前面加好还是在后面加的好?
K246J103.jpg (, 下载次数:48)

jpg(2008/1/26 0:49:19 上传)

K246J103.jpg

TOP
8#

回复:玩DIY KA30 GR前级,向各位求救

按照K30A电路图所给的元器件参数认真去做不会有楼主所说的现象的,你给的电路图中的R9和R13的阻值没有错吧?
TOP
9#

回复:玩DIY KA30 GR前级,向各位求救

R9=180K,反复拆开量过的,原来有用过120k的,情况相同。
R13=6.9K(拿4.7K+1.2K串联),也试过只用4.7k,情况相同
TOP
10#

回复:玩DIY KA30 GR前级,向各位求救

如果说R13  6.9k与6.8k的差异不算在内的话,电阻值与一楼电路可以说完全相同了
TOP
发新话题 回复该主题