发烧论坛

注册

 

返回列表 «56789101112 / 12
发新话题 回复该主题

举足轻重的器材接地 [复制链接]

查看: 33539|回复: 116
81#

回复 77# LSQ 的帖子

谢谢LSQ 兄认同。
TOP
82#

原帖由 Busy 于 2012-12-31 2:59:00 发表
音响接地能改变声音,原理就是要一个稳定的公共零参考电位给音响器材作为信号的标准参考电位,让整个系统在同一个参考电位里工作,音响接地的意义在于地线是有少量电流流过,和传统保护接地的地线是没有电流流过的不同。


Busy兄说的很好了,这里小补充一下,如果不合适请指正,其实另外一个就是地线不干净的问题,传统的小信号模拟电路是比较敏感的,如果窜入了数字信号的干扰成分就会影响工作点的偏移等,影响放大的效果,进而影响音质。在可靠的电路设计中对数字和模拟地线需要进行非常小心的处理,比如CD机就是有两个部分,数字解码和模拟放大部分。如果设计不当,就会影响音质。

干扰都是有可能通过地线流入的,同理,各种干扰客观存在,射频和交流电的干扰是最常见的,大家都用手机和220V供电,再加上Wi-Fi等等。

接地的改善有大有小,跟家里环境干扰源的多少,大小器材电路的设计,接地的设计都有关系。说某种办法管用,可能是因为正好触及根本减少了干扰或屏蔽掉的干扰源所以改善了。所以个人觉得在不影响安全的前提下,多尝试,我试过一点接地,就是合并机接地,CD机220V地浮空是出厂设计,无法改变,一点接地后效果还是很理想的。

拉单独地线有用也是这个道理,避免公共地线对音响系统的干扰,单独地线比较纯净,当然干扰源出来的信号是逐渐衰减的,不会增强,所以大多数环境下如果处理得当还是可以得到比较纯净的声音和好音质。隔离牛应该是个好东西,理论上可以很好的避免各种干扰,不过我没试过,希望有试过的烧友说说经验。
最后编辑ningjy12 最后编辑于 2013-01-02 16:21:36
CD Emmlabs SACD CDSA
Pre-amplifier, Classic 877
Power Amplifier, 211
Speaker, Dynaudio Contour S5.4
TOP
83#

原帖由 ningjy12 于 2013-1-2 15:21:00 发表
原帖由 Busy 于 2012-12-31 2:59:00 发表
音响接地能改变声音,原理就是要一个稳定的公共零参考电位给音响器材作为信号的标准参考电位,让整个系统在同一个参考电位里工作,音响接地的意义在于地线是有少量电流流过,和传统保护接地的地线是没有电流流过的不同。


Busy兄说的很好了,这里小补充一下,如果不合适请指正,其实另外一个就是地

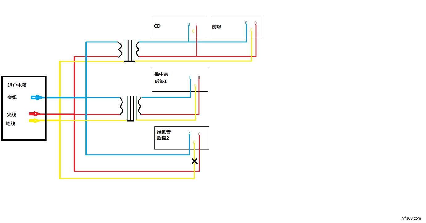
我现在用2个隔离牛,5000W1个,CD和前级共用1个,有1台后级用1个,可能是胆机的缘故吧,暂时没听出动态压缩的现象,我晚点绘个图贴上了。
终于画好,用图画功能画的,很难画,画得不好:
最后编辑szlghyj 最后编辑于 2013-01-03 21:43:31
TOP
84#

我现在用2个隔离牛,5000W1个,CD和前级共用1个,有1台后级用1个,可能是胆机的缘故吧,暂时没听出动态压缩的现象,我晚点绘个图贴上了。

个人觉得如果隔离牛的余量足够大的话应该不会有动态压缩,滤波器不能储存功率但有阻抗,大动态时器材对功率需求更多,所以滤波器就“挡住”了能量从市电到器材,然后功率就压缩了,可能是这样的。

期待兄早日上图,呵呵!
最后编辑ningjy12 最后编辑于 2013-01-03 21:38:08
CD Emmlabs SACD CDSA
Pre-amplifier, Classic 877
Power Amplifier, 211
Speaker, Dynaudio Contour S5.4
TOP
85#

回复 83# szlghyj 的帖子

兄画的很清楚了,呵呵!专线加隔离牛,正是我最期待的电源系统,羡慕中!
CD Emmlabs SACD CDSA
Pre-amplifier, Classic 877
Power Amplifier, 211
Speaker, Dynaudio Contour S5.4
TOP
86#

原帖由 ningjy12 于 2013-1-4 8:40:00 发表
兄画的很清楚了,呵呵!专线加隔离牛,正是我最期待的电源系统,羡慕中!


谢鼓励,同意兄对滤波电感的看法,隔离牛是比较经济适用的方案,但大功率隔离牛尽量不要放在听音室,大功率隔离牛很少没有哼声的。再讲究的就是再生电源了,可惜造价吓人。我构想的完全隔离电源系统。
TOP
87#

回复 81# szlghyj 的帖子

我经过实试,确实有正面的收获。
TOP
88#

原帖由 szlghyj 于 2013-1-4 14:56:00 发表
谢鼓励,同意兄对滤波电感的看法,隔离牛是比较经济适用的方案,但大功率隔离牛尽量不要放在听音室,大功率隔离牛很少没有哼声的。再讲究的就是再生电源了,可惜造价吓人。我构想的完全隔离电源系统。

嗯,同意兄的说法,变压器的哼声比较恼人。有个美国还是加拿大的公司专门做音响定制电源的,他们把隔离牛放在电箱里和空开一起,那样比较好,离听音室可以远一些。再生电源是最好的方案了,除了造价,电池也可能是个问题,要是大功率甲类后级,再生电源的功率余量可能没那么大,做的越大越对造价越高,对电池的要求也越高。普通烧友估计不会考虑,比较合理就是隔离牛和专线,要是可以加个电源处理器就更好了。说的远了,还是回来讨论接地吧,呵呵!
CD Emmlabs SACD CDSA
Pre-amplifier, Classic 877
Power Amplifier, 211
Speaker, Dynaudio Contour S5.4
TOP
89#

回复 87# LSQ 的帖子

LSQ 兄是接公共地线还是自己拉的独立地线。
TOP
90#

回复 88# ningjy12 的帖子

有个美国还是加拿大的公司专门做音响定制电源的,他们把隔离牛放在电箱里和空开一起-----------------------------------------这个有网址吗?我想了解下。
再生电源是最好的方案了,除了造价,电池也可能是个问题,要是大功率甲类后级,再生电源的功率余量可能没那么大,做的越大越对造价越高,对电池的要求也越高。普通烧友估计不会考虑,--------------------------------------------------------的确是这样,记得我单位以前电脑机房的后备电源,主机就跟一台工作站这么大,电池组更吓人,按吨计的。
TOP
发新话题 回复该主题