发烧论坛

注册

 

返回列表 «678910111213» / 43
发新话题 回复该主题

300B845胆机摩机直播(中期验收意见P33) [复制链接]

查看: 206824|回复: 423
91#

还是按照JS的说得做法来吧。
如果自己乱动,JS不好判断下步调整计划就麻烦了。

6SL7、6SN7的连线,还是按照原机的连接方法连,昨天我看见有篇文章说,连接线需要两股绕,消除干扰。
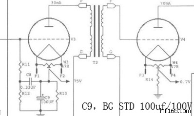
C1、C5是哪个?是下图中标示的?




TOP
92#

原帖由 南海十三郎 于 2012-3-14 20:07:00 发表
6SL7只放大一次,这是SRPP电路,由两个三极管完成。第7、8脚就是灯丝

刚好有多余的线,找到位置把灯丝线换了,至于作用,不会比原线差吧,同信号线一样的线。
TOP
93#

丹麦Duelund CAST系列电容 0.22uf 630V  66*20  4200人民币,真是贵。
还看见一款40u 耐压100v的,20225人民币。
TOP
94#

回复 92# kick 的帖子

灯丝电流大,用的线径不能小于原来的。你发张大图和线路图过来吧,翻来翻去不好找。
最后编辑南海十三郎 最后编辑于 2012-03-14 22:44:15
TOP
95#

原帖由 南海十三郎 于 2012-3-14 22:42:00 发表
灯丝电流大,用的线径不能小于原来的。你发张大图和线路图过来吧,翻来翻去不好找。


没有更多图片了,我在上班,没有弄清楚灯丝线在哪里,后天就动手了,我朋友应该知道怎样找到灯丝线。
目前想法,6SL7、6SN7之间连线用0.45mm*2的双绞线,到300B之间连线用0.9mm单线,剩下来的线先不动,待焊机后视效果决定下个步骤。
可能要换C8     .33u  600v的电容来平衡前面换的东西。



TOP
96#

这也沉的太快了!我还想看摩机的结果呢,頂一下,以免音信全无.
TOP
97#

肯定会上结果的,元件预计明早才能到。
上图中的C8重要不?起什么作用?这次没有换。
最后编辑kick 最后编辑于 2012-03-16 16:08:59
TOP
98#

收到,但朋友没有空来装。
TOP
99#

楼主都是用好东东,对声音有非常大的改善。电位器用上DACT没有?这个也是毒品,上了就下不来。
TOP
100#

尚未装完,目前需要用专用工具打磨,朋友在上班,没有时间弄。后级应该没有电位器。
装完后,会将摩机注意事项贴上,以便别的玩家注意。
TOP
发新话题 回复该主题