发烧论坛

注册

 

发新话题 回复该主题

我耳中的音场定位(一至四) [复制链接]

查看: 37659|回复: 51
21#

一周前的中山、顺德、广州行,以音响会友,其中以顺德烧友的聆听室和器材最具参考性,在找出该组合的致命缺点 ―― 换掉CD机的劣质电源线后,再把我的线材逐一换上,只花个多小时,声音质素升级就循序渐进,把该组合音色、音效和3D音场的表现,从初级音场升级至高级3D音场。日后抽空写一篇「中山、顺德、广州发烧游记」。请注意!
TOP
22#

期待
真诚交流,不说假话。
TOP
23#

[quote] 
最后编辑marktwo 最后编辑于 2015-07-16 14:17:40
品味音乐
TOP
24#

原帖由 sxbjtblxp 于 2009-4-1 9:28:00 发表
期待您的高烧线材的检测标准


引用: 原帖由 aax
2009-4-4 22:19:00 发表
請參閱: [url=http://bbs.hifi168.com/showtopic-157989-5.aspx]http://bbs.hifi168.com/showtopic-157989-5.aspx [/url]


中国90%以上的音响厂家没有正规的测试仪器!包括一些所谓的名厂。由于职务便利,我拜访过的大大小小的音响厂家不下百家,有几家有AudioPrecision System Two?有几家敢拍胸脯说说明书上的指标是真是测量出来的?有几个工程师知道一个音响产品究竟要测些什么?有几个工程师知道如何改进产品的技术指标?国内有很多产品经不起测试,经不起推敲。。。。。。
音响是一门科学,作为技术人员需要有科学严谨的态度。我虽然是技术派,我有自己的研发团队,有音频、射频的测试仪器,但不不代表我是唯技术论者。我相信主观听感,相信校声的作用,相信元器件对声音的影响。但我不相信不严谨的产品设计、不相信没有经过测试的产品、更不相信态度不严谨的技术人员所设计的产品。

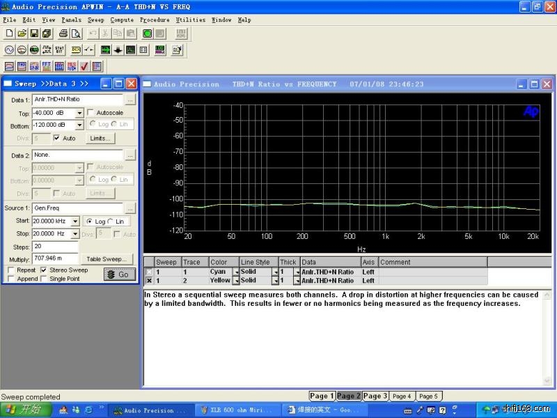
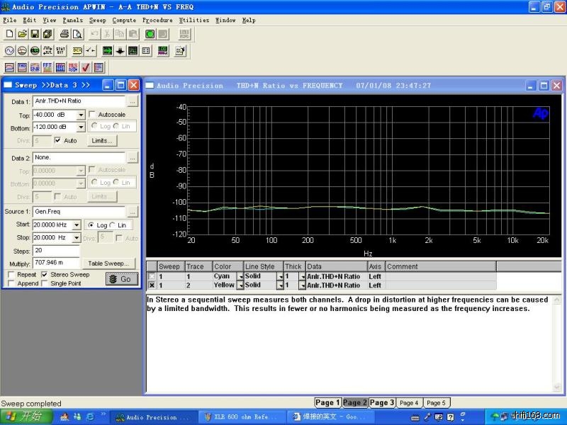
英雄所见略同!Audio Precision System Two售价5万美元,我设计的线材也是用它先做测试,后试听,如测试发现有缺陷,或线材设计上有修改,还是要再用它再测试通过后才算品管合格啊!还有射频干扰测试呢……附我一款ODM出口的入门级参考线材的噪音失真综合测试图(多年前初设计这线时,在5万多周有些少失真,虽然听起来没感觉有问题,但为防止极超高频失真会有不良影响,还是要作出小修改,一次过搞定,附图就是修改后的定型生产测试图。

XLR 600 ohm Reference c.JPG (, 下载次数:4)

600(2009/4/5 11:34:26 上传)

XLR 600 ohm Reference c.JPG

XLR 50 ohm Reference c.JPG (, 下载次数:4)

50(2009/4/5 11:34:26 上传)

XLR 50 ohm Reference c.JPG

最后编辑避震梁 最后编辑于 2009-04-05 11:35:02
TOP
25#

梁老师的博客这2天正在仔细拜读,从中受益匪浅!而梁老师的热心与耐心也是非常值得后辈学习的!
TOP
26#

原帖由 避震梁 于 2009-4-3 21:17:00 发表
原帖由 壮家汉 于 2009-4-3 20:03:00 发表
[quote] 原帖由 kevinlove 于 2009-3-30 11:51:00 发表
这年头大师满天飞啊。168就好多个。

楼主在中国HIFI音响史上写下过浓重的一笔,启蒙和影响过一代发烧友。
避震梁,上世纪90年代初在音响媒体上见到这个绰号后,至今仍牢牢记得。
谢谢支持!
只要您们还记得我,和得到大家的认同,我就会在工余抽空和大家交流、分享。
在发烧要精益求精之余,我还喜欢与众同乐,希望中国发烧友的水平与时并进!
  

  希望梁大师能重出江湖再为烧友大众做出物美价廉的产品。呵呵
TOP
27#

原帖由 残剑831 于 2009-4-5 12:10:00 发表
原帖由 避震梁 于 2009-4-3 21:17:00 发表
[quote] 原帖由 壮家汉 于 2009-4-3 20:03:00 发表
[quote] 原帖由 kevinlove 于 2009-3-30 11:51:00 发表

楼主在中国HIFI音响史上写下过浓重的一笔,启


慎重考虑!附周前顺德烧友的聆听室和器材照片。如留意亦可见到我的线材。

IMG_0051c.JPG (, 下载次数:6)

jpg(2009/4/6 23:48:30 上传)

IMG_0051c.JPG

最后编辑避震梁 最后编辑于 2009-04-06 23:48:30
TOP
28#

期待梁叔的大作《中山、顺德、广州发烧游记》
TOP
29#

谢谢Eric版主!

谢谢Eric版主!

今天才看到被选为精华帖,失觉!
TOP
30#

为什么说:声场声像高低定向(定位),是对立体声系统提出的最严格要求;声场声像定向定位与什么有关?

仅以此文作为对 松香味兄 上述文章的学习和共呜!
TOP
发新话题 回复该主题