发烧论坛

注册

 

发新话题 回复该主题

:请大家帮忙看看电源部分,是不是可以更改变压器的初级抽头就可... [复制链接]

查看: 3135|回复: 10
1#
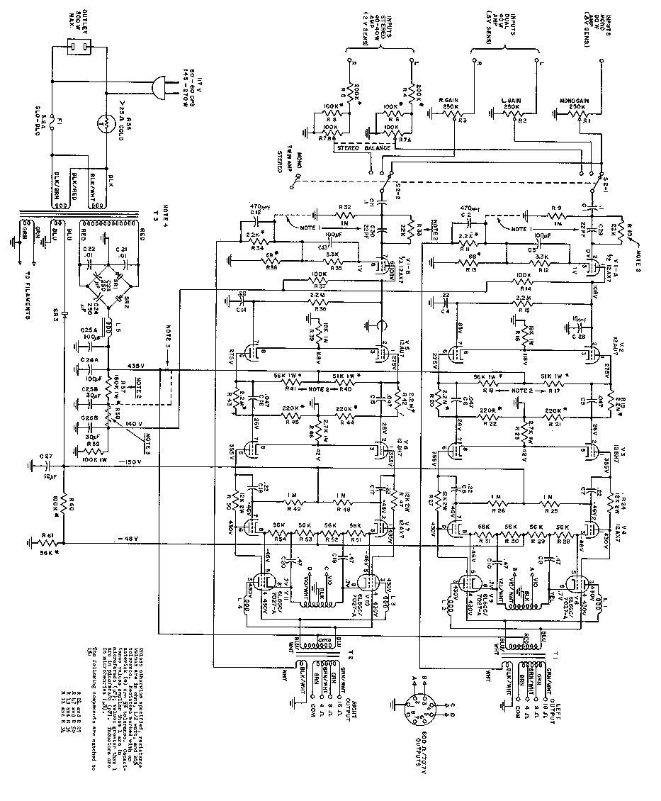
是MC240
a2006032512304928.gif (, 下载次数:43)

gif(2008/5/12 9:20:57 上传)

a2006032512304928.gif

分享 转发
TOP
2#

回复::请大家帮忙看看电源部分,是不是可以更改变压器的初级抽头就可以将117V变为230V输入?

可以。将变压器初级串联既可。
TOP
3#

回复::请大家帮忙看看电源部分,是不是可以更改变压器的初级抽头就可以将117V变为230V输入?

我有个疑问:为什么网上查不到一个用家改电压的贴子,卖240的也从来没人改?
TOP
4#

回复::请大家帮忙看看电源部分,是不是可以更改变压器的初级抽头就可以将117V变为230V输入?

:'(
TOP
5#

回复: :请大家帮忙看看电源部分,是不是可以更改变压器的初级抽头就可以将117V变为230V输入?

美式器材很多都如此设计以适配不同电压的地区使用。只要断开两中间抽头,再把它们独立地连接起来即可在[200-240伏]地区使用。图中为[100-120伏]地区使用时状态。
电声学核心探究实验室和音乐,艺术核心探究创意室

打造尊贵品牌    开创音响先河        http://289652502.qzone.qq.com/
TOP
6#

回复::请大家帮忙看看电源部分,是不是可以更改变压器的初级抽头就可以将117V变为230V输入?

初级线圈并联可否影响分离度?
生命因聆赏而精彩![upload=jpg]uploadImages/2003111521295659833.jpg[/upload]
TOP
7#

回复::请大家帮忙看看电源部分,是不是可以更改变压器的初级抽头就可以将117V变为230V输入?

原机是并联,想改成串联
TOP
8#

回复: :请大家帮忙看看电源部分,是不是可以更改变压器的初级抽头就可以将117V变为230V输入?

初级并连只为保持原有标称功率而已,对声音几乎不影响。
电声学核心探究实验室和音乐,艺术核心探究创意室

打造尊贵品牌    开创音响先河        http://289652502.qzone.qq.com/
TOP
9#

回复: :请大家帮忙看看电源部分,是不是可以更改变压器的初级抽头就可以将117V变为230V输入?

要找内行的搞,不然会有得不偿失的可能哦。接错变压器或保险丝会冒烟的啊。
电声学核心探究实验室和音乐,艺术核心探究创意室

打造尊贵品牌    开创音响先河        http://289652502.qzone.qq.com/
TOP
10#

回复: :请大家帮忙看看电源部分,是不是可以更改变压器的初级抽头就可以将117V变为230V输入?

怕怕了
0004615121.jpg (, 下载次数:33)

jpg(2008/5/12 11:14:36 上传)

0004615121.jpg

TOP
发新话题 回复该主题