发烧论坛

注册

 

返回列表 «3132333435363738» / 53
发新话题 回复该主题

闭关两年,呕心沥血,誓把ATC SCM7推烂熟 [复制链接]

查看: 896038|回复: 523
341#

回复:闭关两年,呕心沥血,誓把ATC SCM7推烂熟--第五章“元件”--★《千金难买一器,话说千元内电位...

金灿灿的,真好
TOP
342#

回复: 闭关两年,呕心沥血,誓把ATC SCM7推烂熟--第五章“元件”--★《千金难买一器,话说千元内电位器选择难》

终于一口气看完了,真好,看来还得听听ATC的箱子!
TOP
343#

回复: 闭关两年,呕心沥血,誓把ATC SCM7推烂熟--第五章“元件”--★《千金难买一器,话说千元内电位器选择难》

支持 ATC
A资深烧友用丹拿顶级高音和ATC极品低音单元打造的书架箱.JPG (, 下载次数:1048)

jpg(2008/1/12 8:34:14 上传)

A资深烧友用丹拿顶级高音和ATC极品低音单元打造的书架箱.JPG

忽 略 , 是 一 种 迷 踵 式 的 进 取     

忘 记 , 是 一 种 太 极 般 的 宽 容
TOP
344#

回复: 闭关两年,呕心沥血,誓把ATC SCM7推烂熟--第五章“元件”--★《千金难买一器,话说千元内电位器选择难》

原帖由 李卓晖 于 2008-1-12 3:18:00 发表
终于一口气看完了,真好,看来还得听听ATC的箱子!


希望给您带来收获
TOP
345#

回复: 闭关两年,呕心沥血,誓把ATC SCM7推烂熟--第五章“元件”--★《千金难买一器,话说千元内电位器选择难》

原帖由 hunsen 于 2008-1-12 8:34:00 发表
支持 ATC





太强了,这个东西效果如何,可否说说听感,是北京的么?能上门听听么?
TOP
346#

回复:闭关两年,呕心沥血,誓把ATC SCM7推烂熟--第五章“元件”--★《千金难买一器,话说千元内电位...

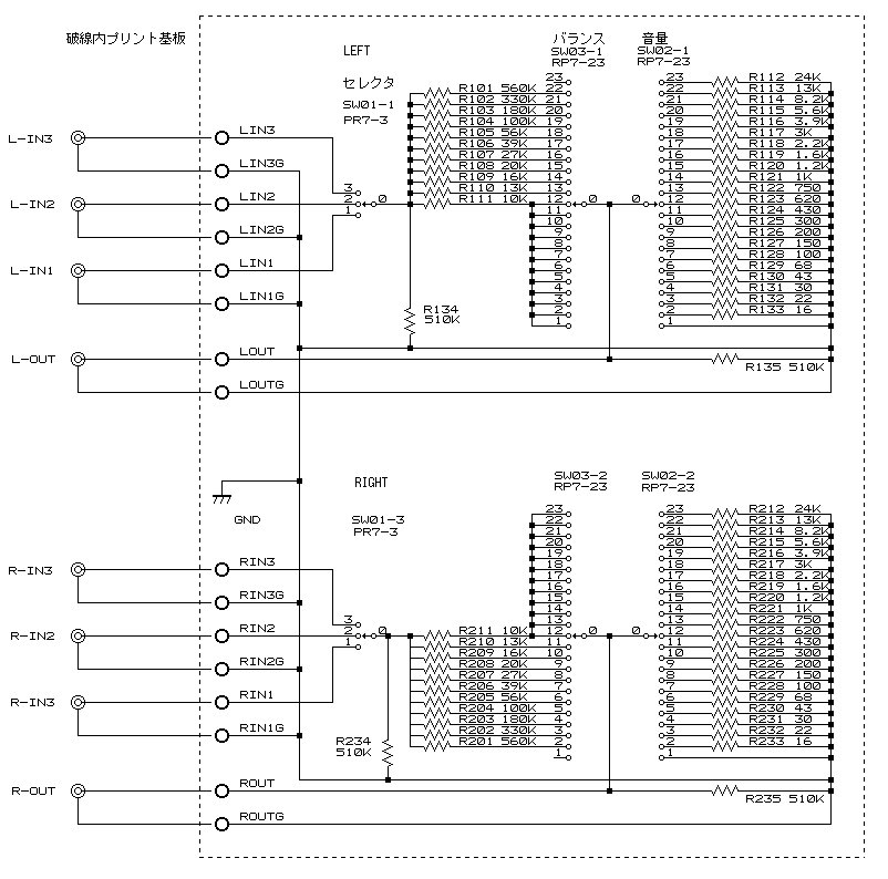
说到电位器,我用过4×23档的镀金端子的波段开关,搭配的是DALE电阻,焊锡是我自己选择的日本千住无铅型号。常见的镀银端子的开关取出后放置一段时间,外面的端子会变黑的,里面的铜片上都有层油脂,用来防止氧化的。 比较而言还是镀金的开关更好些,只是价格也贵了一倍。
云外天  http://www.yunwt.net
TOP
347#

回复:闭关两年,呕心沥血,誓把ATC SCM7推烂熟--第五章“元件”--★《千金难买一器,话说千元内电位...

其实玩电位器,还有种省钱的做法,就是用两个波段开关搭配使用,1个4×12档的,步进1dB衰减,另一个是12dB,24dB,48dB,60dB 4档衰减选择,费用能降低近一半。
云外天  http://www.yunwt.net
TOP
348#

回复:闭关两年,呕心沥血,誓把ATC SCM7推烂熟--第五章“元件”--★《千金难买一器,话说千元内电位...

这个方案两个串联的电位器间会产生部分并联,改变电阻值,分压比会变化,输入内阻也会变化。不过合理的从新计算电阻,应该还可以把变化控制在合理的范围。如果考虑分流模式更麻烦!
TOP
349#

回复:闭关两年,呕心沥血,誓把ATC SCM7推烂熟--第五章“元件”--★《千金难买一器,话说千元内电位...

我怎么看那ATC单元和我的不一样啊,纳闷
富盛网站  fshifi.cn     富盛音响微信号:fshifipt
文杰用户Q群:  475324510
富盛淘宝 https://shop34536926.taobao.com/
TOP
350#

回复: 闭关两年,呕心沥血,誓把ATC SCM7推烂熟--第五章“元件”--★《千金难买一器,话说千元内电位器选择难》

302#的组合电位器是否是属于这种结构的? 主要是输入输出阻抗变化比较大。但是看图片也应该是成品机了
M5-sem.jpg (, 下载次数:193)

jpg(2008/1/13 2:55:32 上传)

M5-sem.jpg

云外天  http://www.yunwt.net
TOP
发新话题 回复该主题