发烧论坛

注册

 

返回列表 «1011121314151617» / 22
发新话题 回复该主题

高品质电子分频有源音响系统制作教程DIR [复制链接]

查看: 172201|回复: 219
131#

回复: 高品质电子分频有源音响系统制作教程DIR



TOP
132#

回复: 高品质电子分频有源音响系统制作教程DIR



TOP
133#

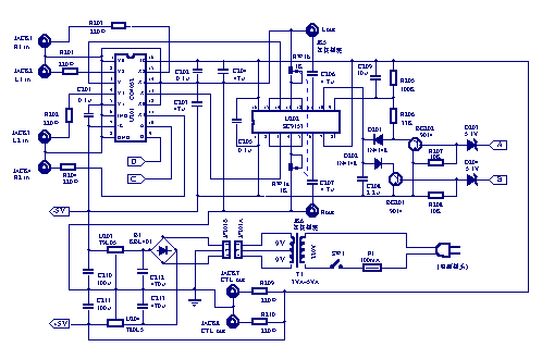
回复:高品质电子分频有源音响系统制作教程DIR

原理图还漏带了一张来发,下次再扑.PCB效果图已经齐全,照着板上表明的元件参数安装就行.做好音控,是非常关键的环节.
TOP
134#

回复:高品质电子分频有源音响系统制作教程DIR

感谢程老师的无私奉献!

不过好象HIFI168对技术帖关心的人不多,甚至连喜欢“扔石头”的都没有出声,看来程老师的心血是有些浪费了。:'(
连这样的好帖都没加精华,嗨!
TOP
135#

回复:高品质电子分频有源音响系统制作教程DIR

:victory: :victory: :victory: :handshake :handshake :handshake :handshake
TOP
136#

回复: 高品质电子分频有源音响系统制作教程DIR

原帖由 ccxdl 于 2007-6-29 15:00:00 发表
喇叭的互调失真有多大?功放的互调失真有多大?有没有比较的数据,想了解。
--------------------------------
胡思先生:
喇叭的互调失真有多大?以前用的《杨声器系统》(日本山本武夫著)上册中有一点定量介绍,该书......

“而功放的互调失真有多大?远小于人耳对失真的分辨极限.不用考虑功放的互调失真.”
这句话不敢苟同。
谢谢程老师。
TOP
137#

回复:高品质电子分频有源音响系统制作教程DIR

几年来我一直用电子三分频,在器材档次不便的情况下,3X2路完全一样的大偏流功放,声音远比功率分频好!特别是中、高音改善很多。
但有一个问题一直困扰着我:低音功放用怎样的才能够最好地驱动低音喇叭?也即低音喇叭与功放怎样才能够最佳匹配?
TOP
138#

回复:高品质电子分频有源音响系统制作教程DIR

低音功放用怎样的才能够最好地驱动低音喇叭?也即低音喇叭与功放怎样才能够最佳匹配?
---------------------------------
当然,用分离元件做的100W功放来推低音喇叭没有问题,如果用IC功放,到目前为止,TDA7294是不错的优选。但是也要提醒注意,TDA7294用在推专门的低音炮时,可能控制不住某些喇叭!其它IC功放如LM3886,就更不行。而在一般情况下,用TDA7294推低音单元不会有问题。如果喇叭还是出现失控,请采用加入变压器的方式来提高喇叭电阻尼。
TOP
139#

回复: 高品质电子分频有源音响系统制作教程DIR





8ICgf4.gif (, 下载次数:1241)

gif(2007/7/3 15:40:20 上传)

8ICgf4.gif

TOP
140#

回复:高品质电子分频有源音响系统制作教程DIR

今天发8只TDA7294做的功率放大器结构设计图,红外遥控音量控制电路也安装在放大器盒内。既可以做成电子三分频、电子四分频放大器,也可以做成普通BTL双功放,区别只是前置级电路不同。做普通BTL双功放使用时,可直接在电子三分频板上修改接线实现,因此没有专门设计普通BTL双功放的前置级电路PCB板。这是多种玩法的通用设计,信噪比绝对不蒙人,输出功率货真价实。难点在机箱制做,要花钱请人用机床加工。自己手工制做,外观多办不会漂亮。
TOP
发新话题 回复该主题